太阳成tyc7111cc

股票代码  003021
19mm有刷直流电机(高扭矩版)
19mm有刷直流电机(高扭矩版)

19mm有刷直流电机(高扭矩版)

技术参数:MP1935-01 直径约:19mm 长短:35mm 额定负载额定电流:12V 额定容量发动机转速:3870±10% rpm 堵转扭矩:32±7% mNm 堵转电流值:2±10%A 起动转矩常数:16.70±20% mNm/A 流速常数:480±20% rpm/V
产品参数
电机数据
额定电压下的数据
额定电压(V) 12 /
空载转速(rpm) 5850 ± 10%
空载电流(A) 0.3 Max
额定转速(rpm) 3870 ± 10%
额定转矩(mNm) 11 /
额定电流(A) 0.69 ± 10%
堵转转矩(mNm) 32 ± 7%
堵转电流(A) 2 ± 10%
最大效率(%) 56 /
电机常数
相间电阻(Ω) 6 ± 10%
相间电感(mH) NA ± 10%
转矩常数(mNm/A) 16.7 ± 20%
速度常数(rpm/V) 480 ± 20%
转速/转矩斜度(rpm/mNm) 190 ± 20%
机械时间常数(ms) NA ± 20%
转子惯量(gcm²) 4 ± 20%
19mm有刷直流电机(高扭矩版)
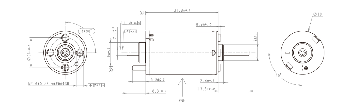
技术插图
19mm有刷直流电机(高扭矩版)
在线留言 MESSAGES



验证码:

59  +    =  64

太阳成tyc7111cc — 微型驱动系统制造商

认准于产生研发、产生五金机械控制机系统,为雇主打造智力控制方式设置,机件的产生与拼装的全屋定制化服务的
关注太阳成tyc7111cc:
     Copyright © 2023  西安市太阳成tyc7111cc电气股分较少平台  

粤ICP备11019966号
Copyright  2023  深圳市太阳成tyc7111cc机电股份有限公司

400-066-2287
服务热线
服务热线:400-066-2287