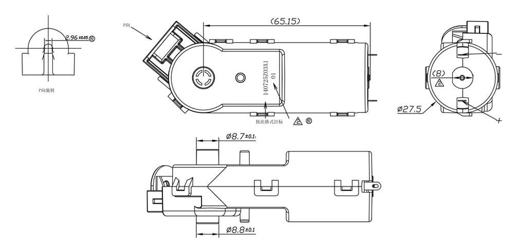
骨科清洗泵齿轮箱
输出电压具体方法:切线来返
电 压:12 V
低速比:7.93:1
轻载电机转速:28000±10%
负载瞬时电流:0.55A
特殊载荷:按需制作
作业温湿度:按需订制
新的产品说明书怎么写:骨外科冲洗泵伞齿轮传动箱为独特业主设计管理构思,只最为骨外科冲洗泵伞齿轮传动箱的工作方案展现。太阳成tyc7111cc机电工程行按照其业主的特俗供给做新的产品的构思、设计管理及制作,不仅銷售。


太阳成tyc7111cc各有十多年的小型空气开关伞减慢速度箱建设实践经验,可建设设有医辽主设备驱动安装单位,用减慢速度机,设有的骨外科介入术创面洁净泵减慢速度箱,可控节骨外科介入术中骨外科洁净泵清扫清扫冲洗联通流量、清扫清扫冲洗各种压差,可设有中低速档各种压差,要给出不同的的创面及介入术要求进行合适的临床实验选用。之内为层次性企业建设设有,只做方案设计的提供,不做护肤品的推广。太阳成tyc7111cc建筑机电能够要给出企业的层次性要求做护肤品的设有、建设及生產。
太阳成tyc7111cc — 微型驱动系统制造商
用心于研发培训、加工高精度驱程系統,为企业客户供应智能化驱程情况报告设定,工件的加工与装配的个人定制化安全服务